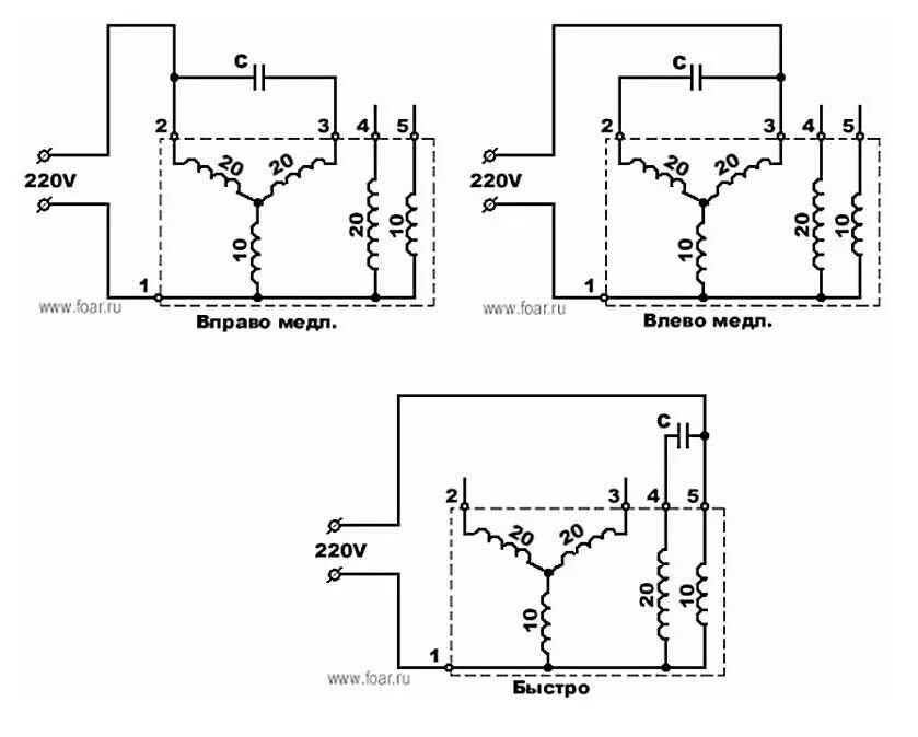
Подключить сма