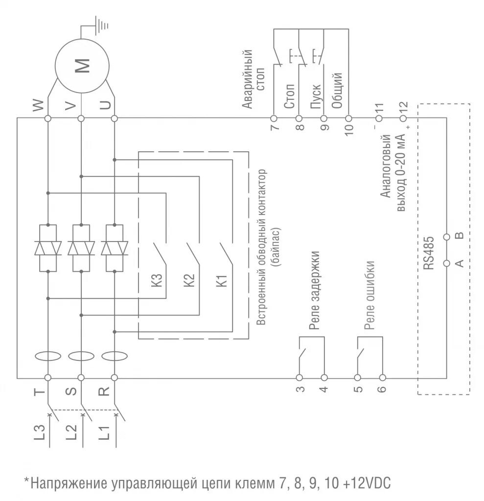
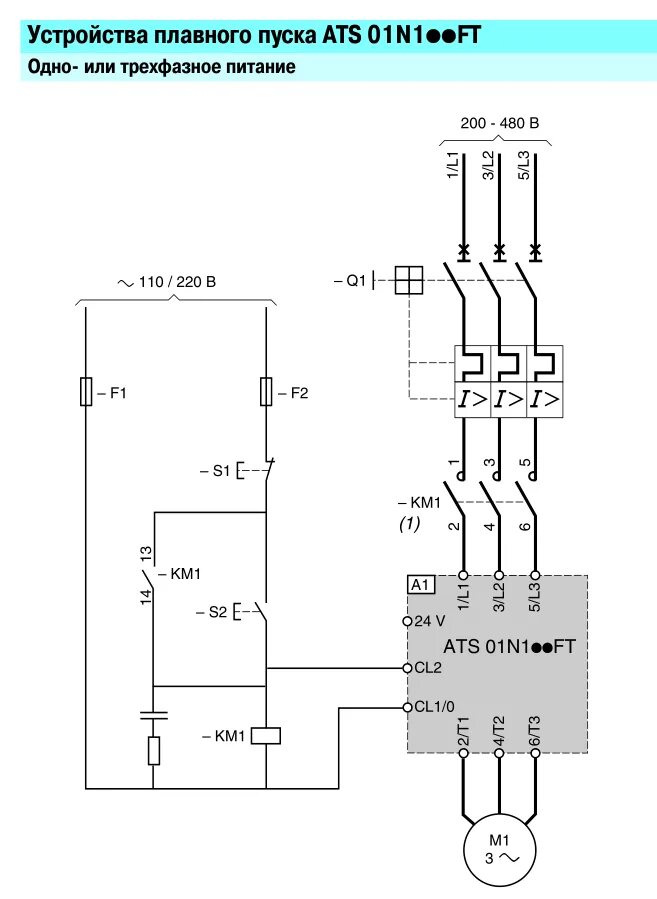
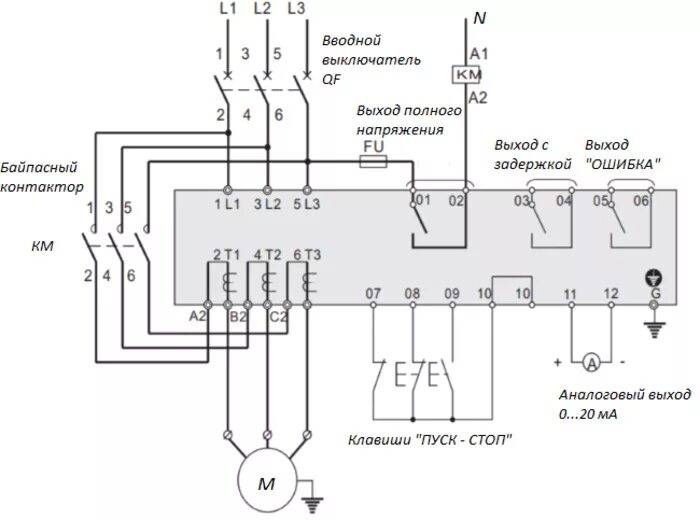
Подключить пуск устройство