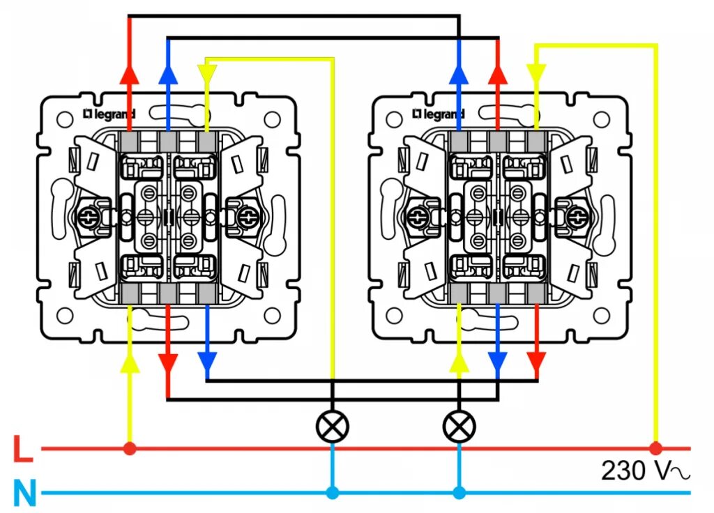
Подключить проходной выключатель схема с 2 мест