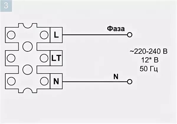
Подключения бытового вентилятора