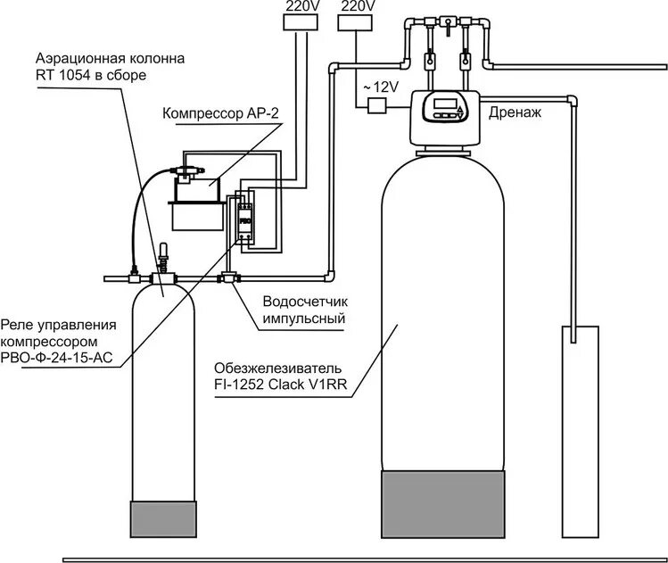
Подключение водоочистки