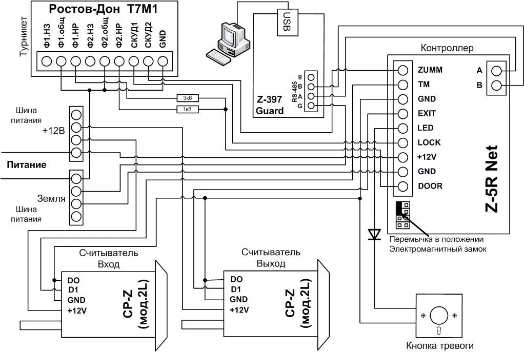
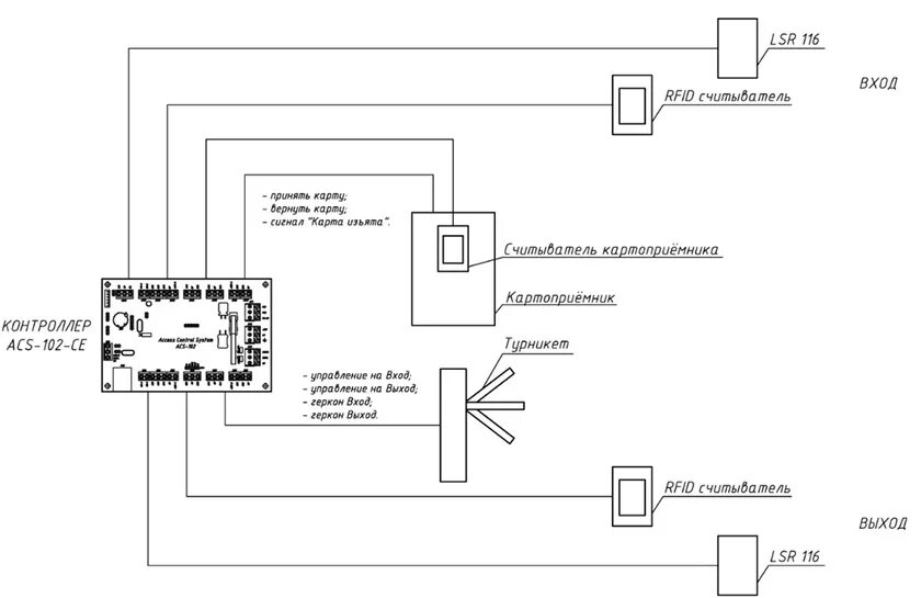
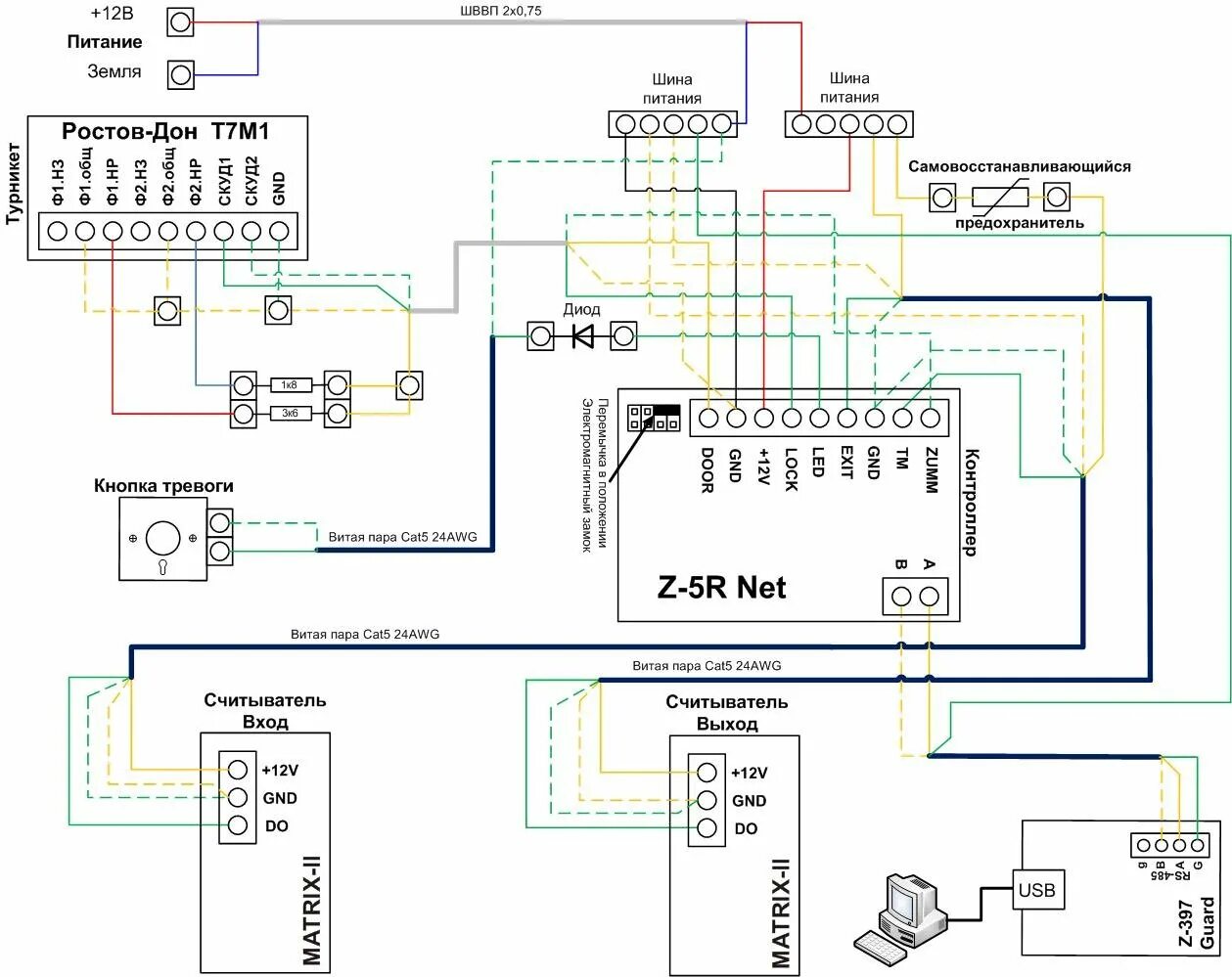
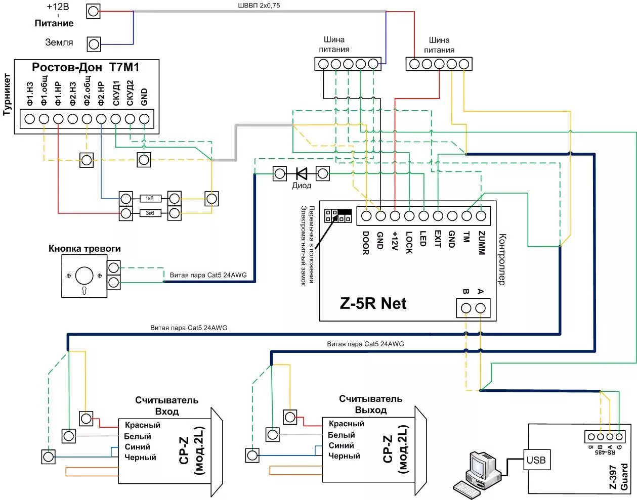
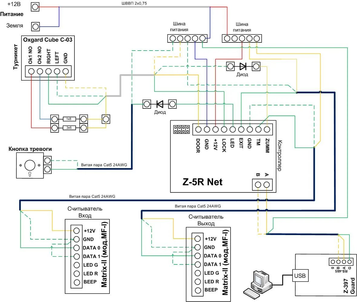
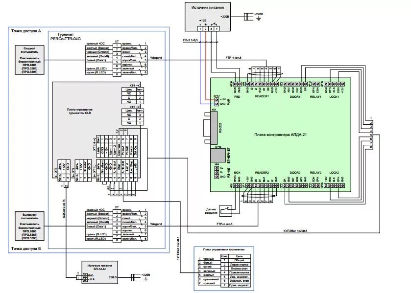
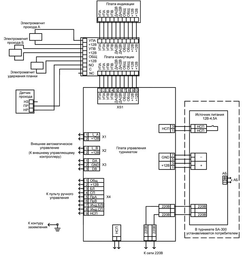
Подключение турникета к контроллеру