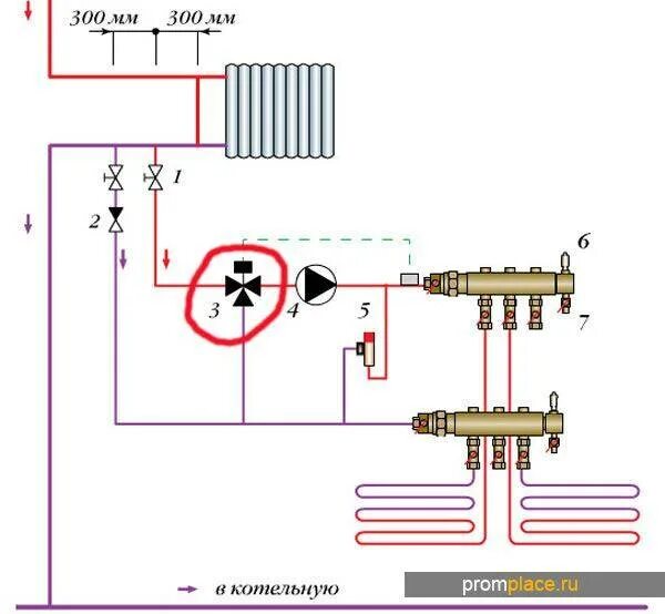
Подключение трехходового к котлу