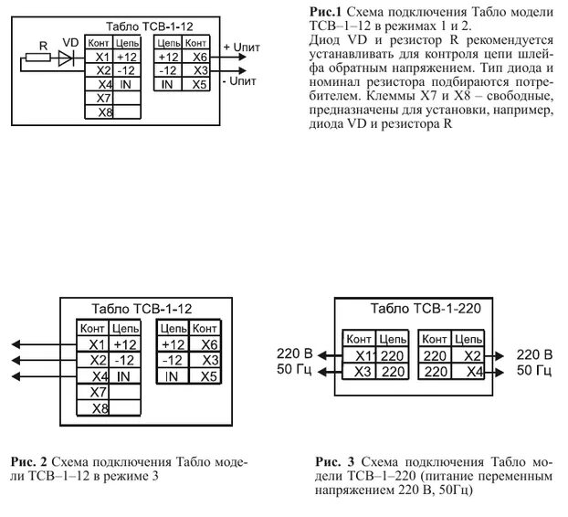
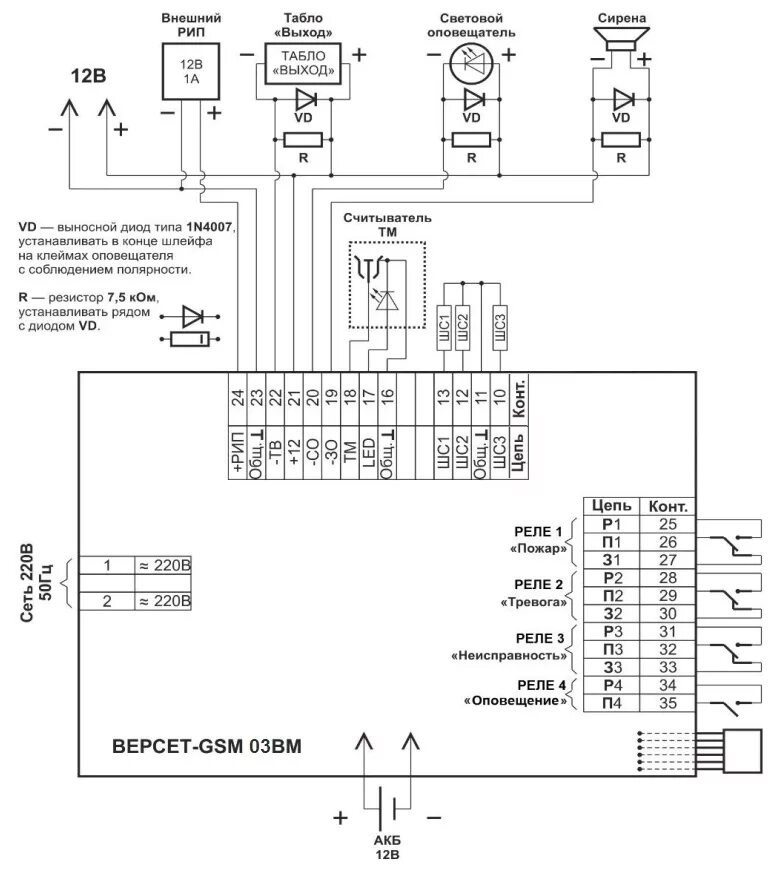
Подключение табло выход