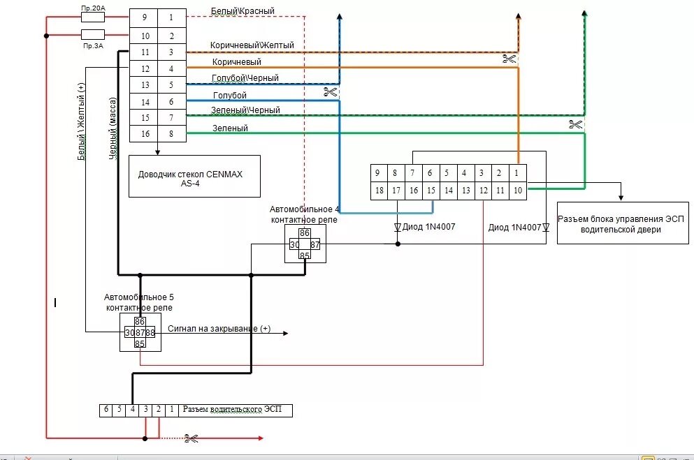
Подключение стекло 3