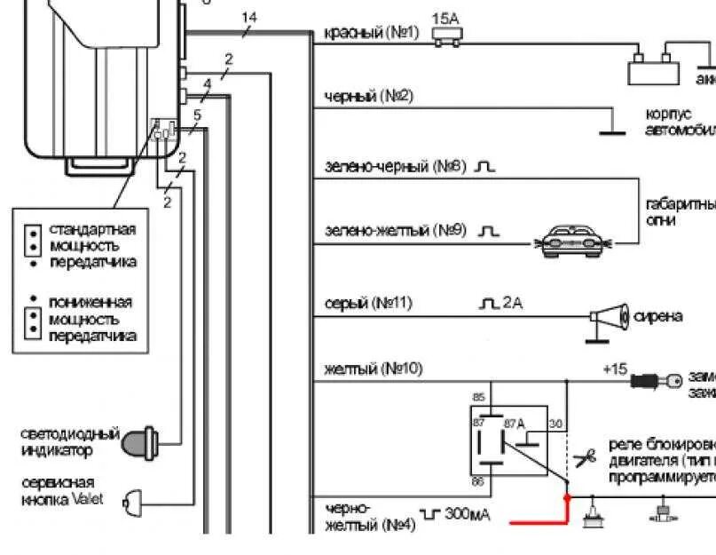
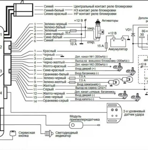
Подключение старлайн а6