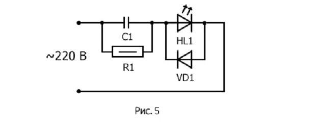
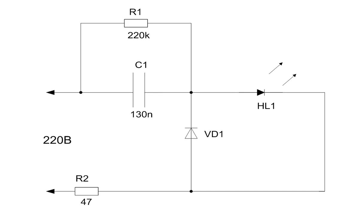
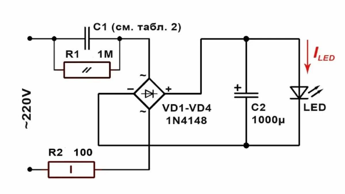
Подключение сети 220 напряжение