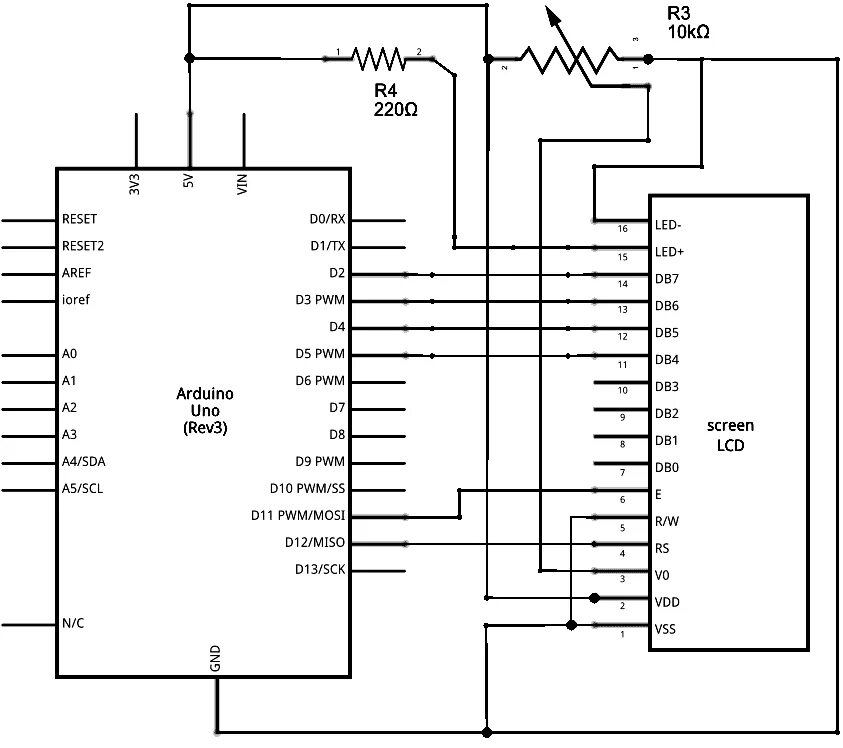
Подключение сенсорных дисплеев