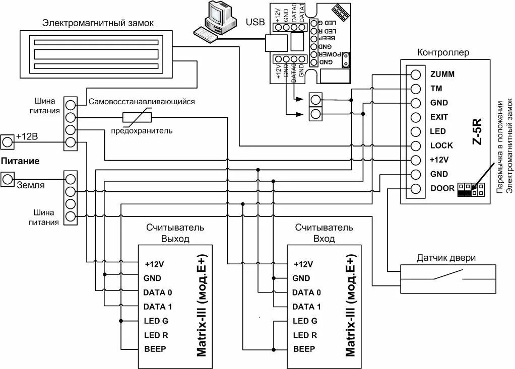
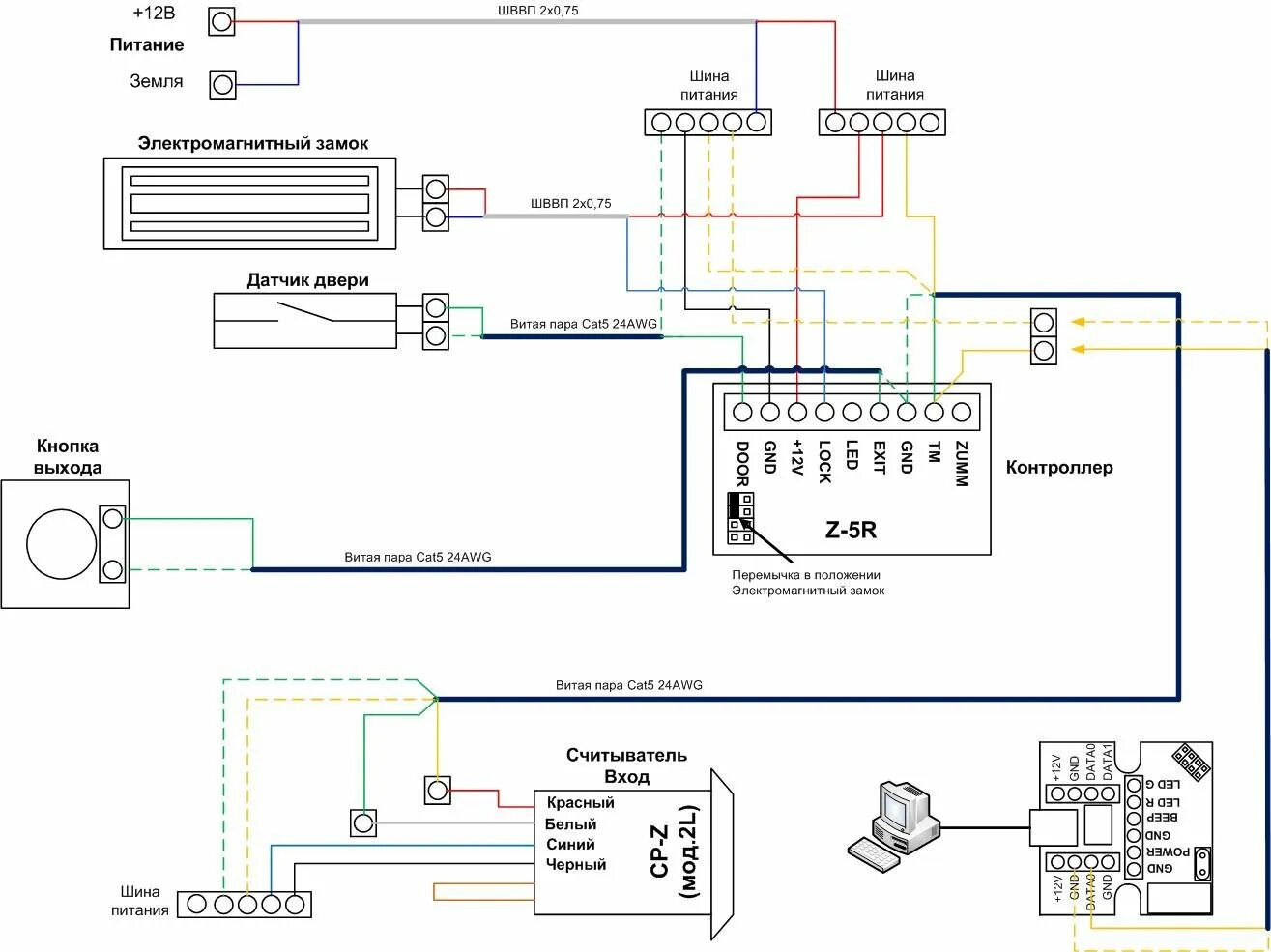
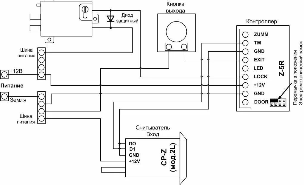
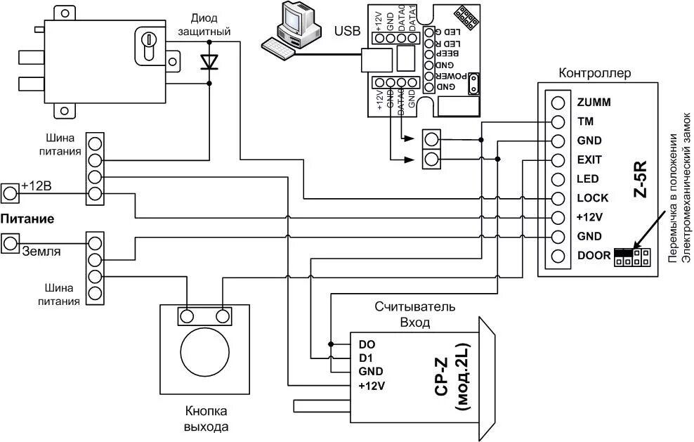
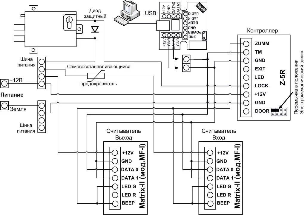
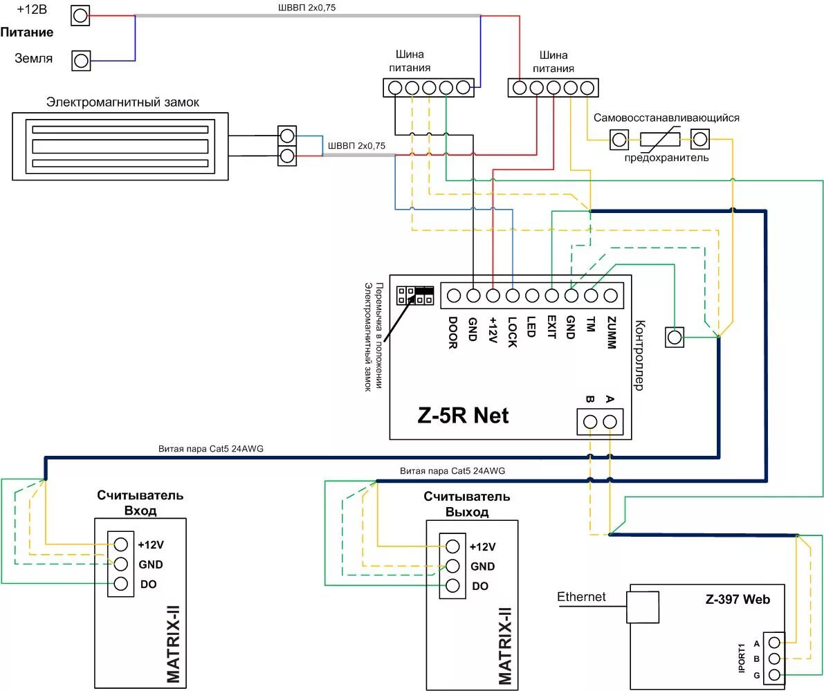
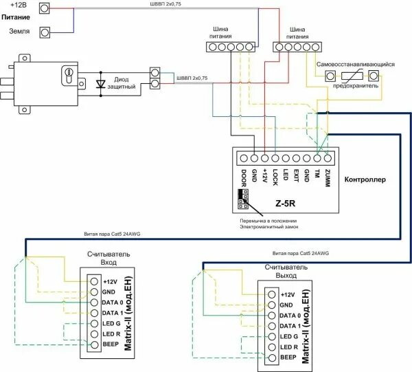
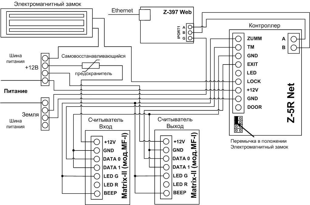
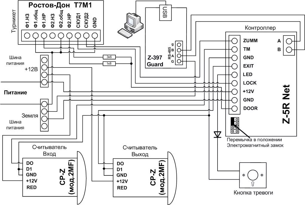
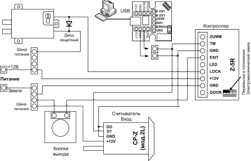
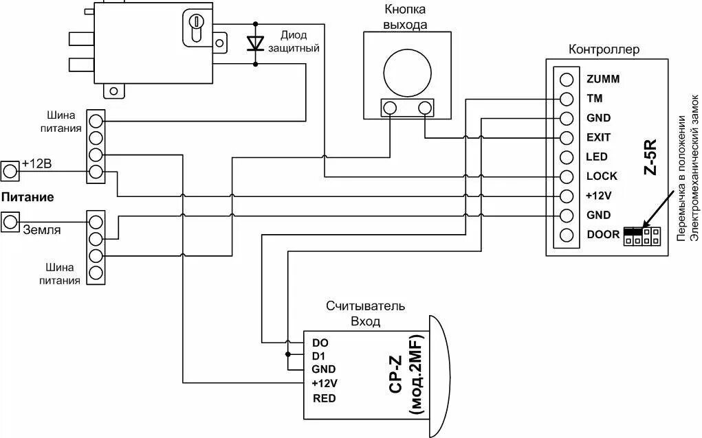
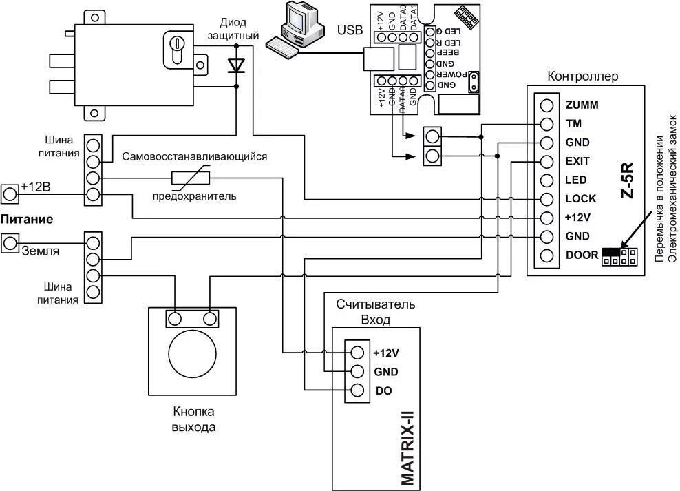
Подключение считывателя к контроллеру