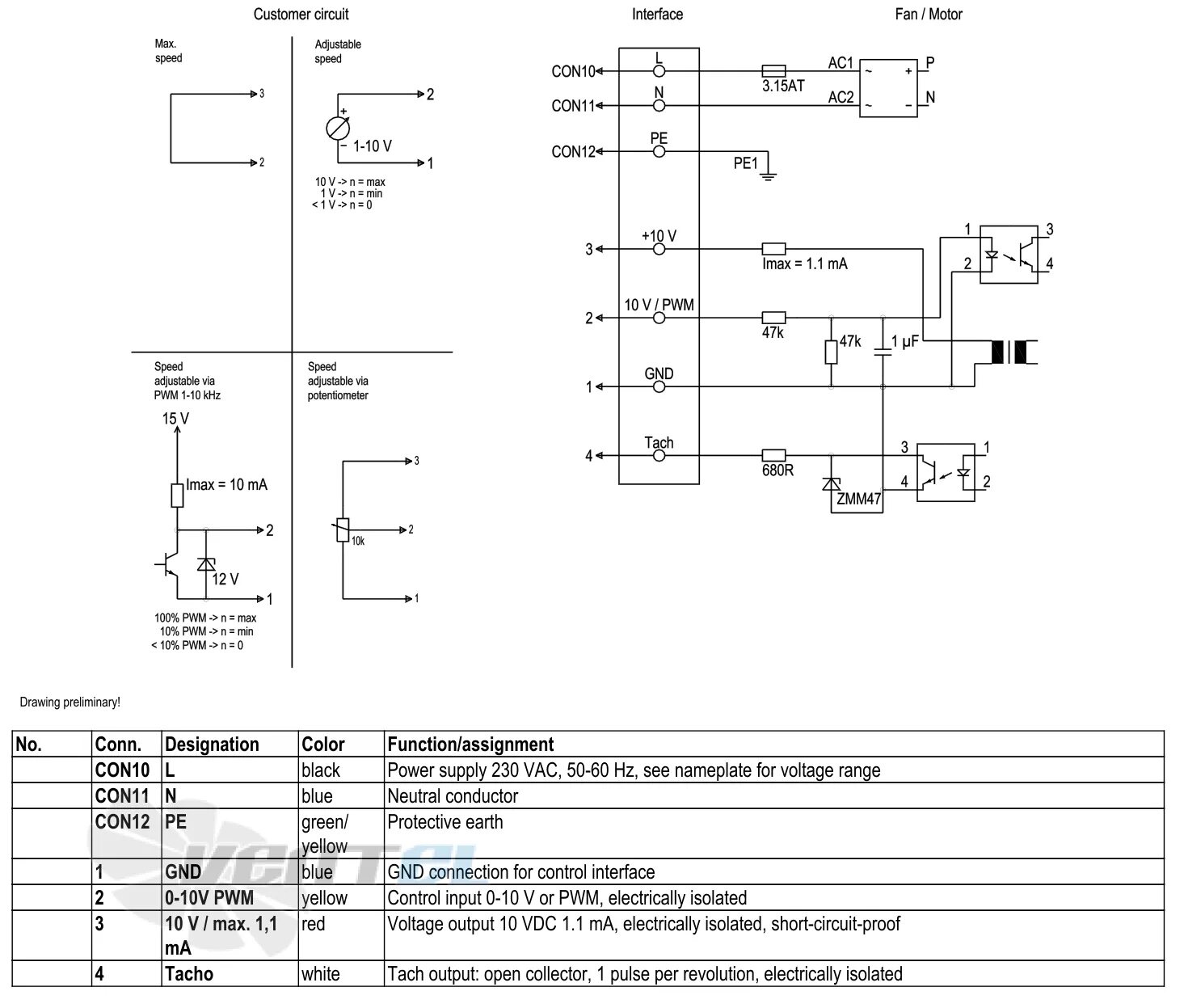
Подключение s3