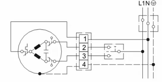
Подключение роллет