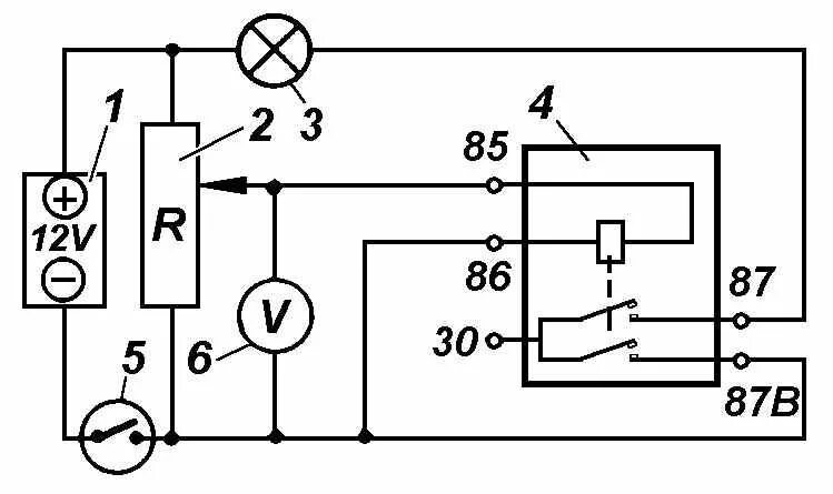
Подключение реле стартера уаз