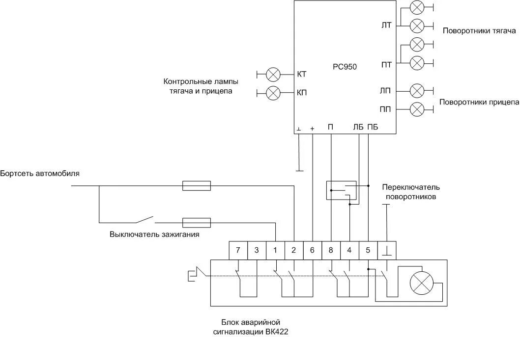
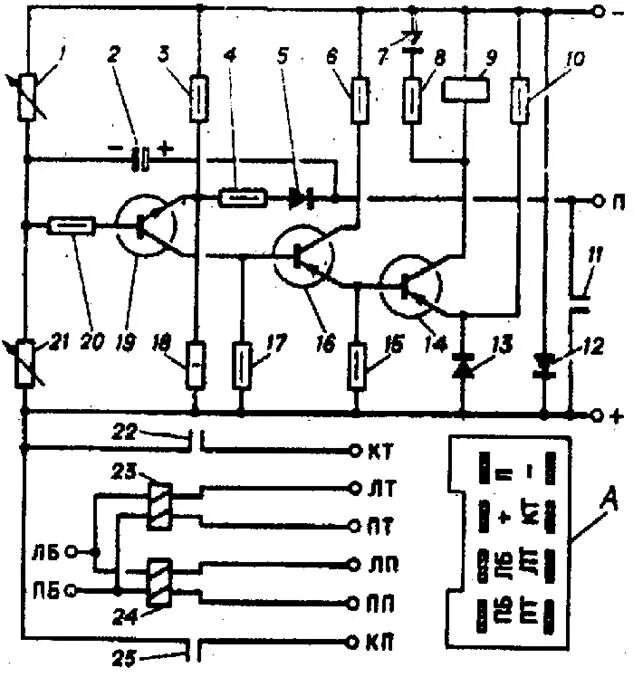
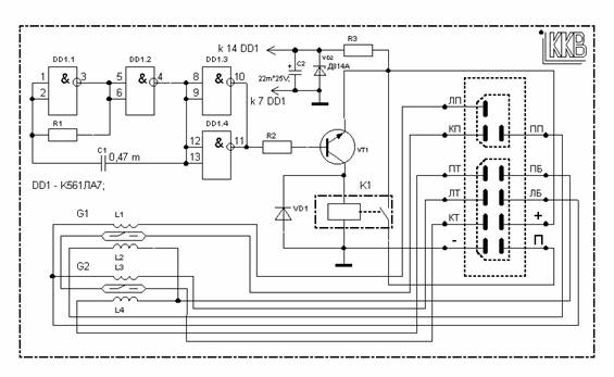
Подключение реле поворотов 950