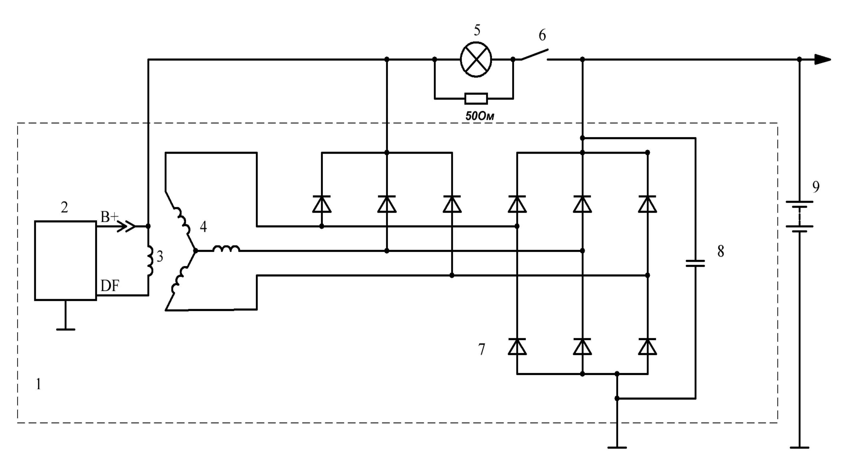
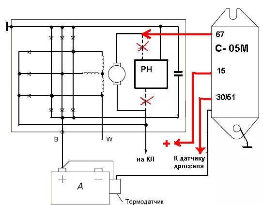
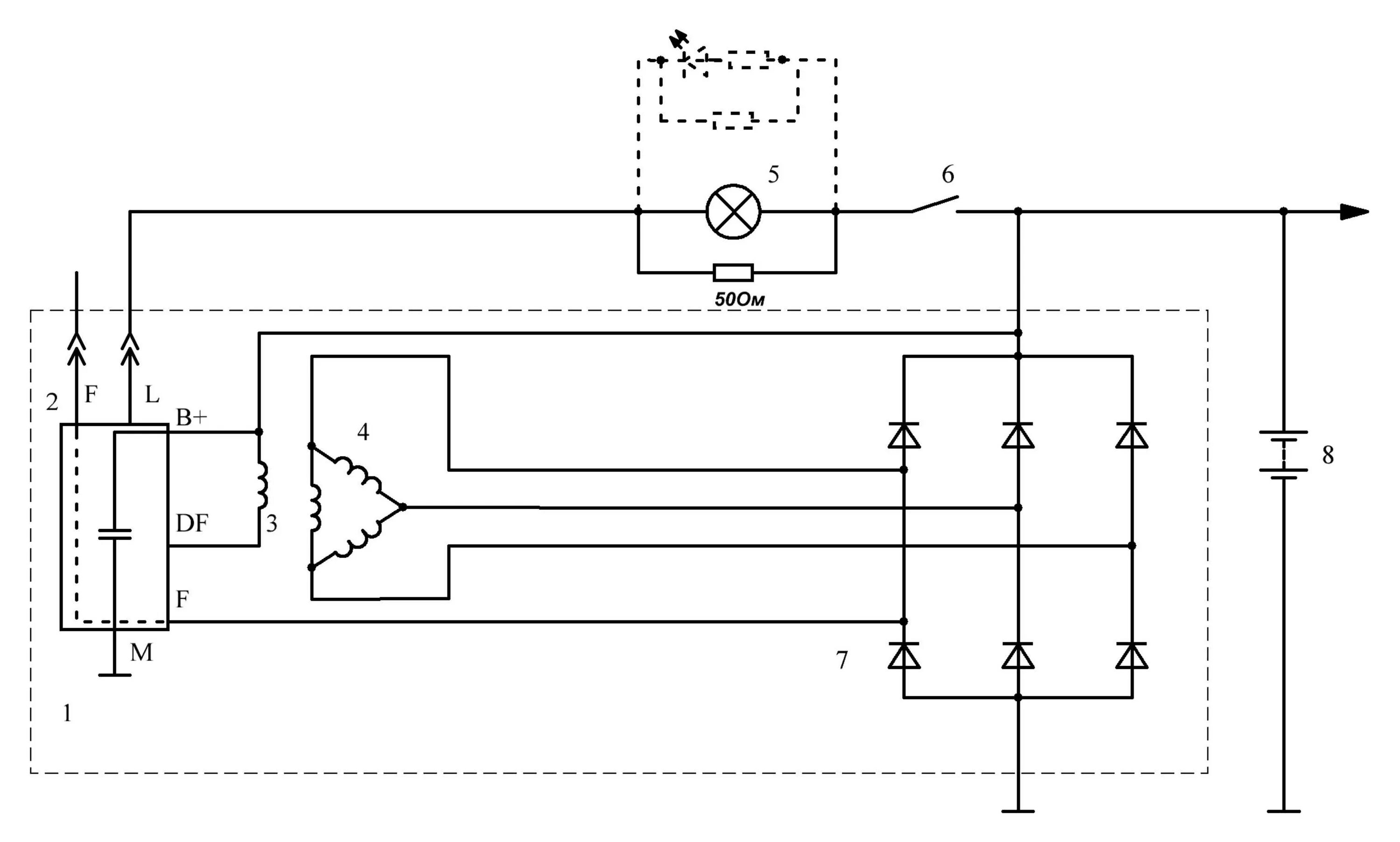
Подключение регулятор генератора