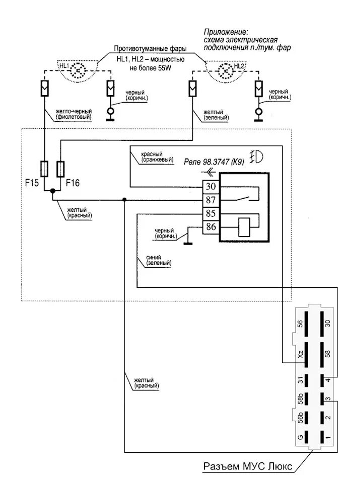
Подключение птф через мус