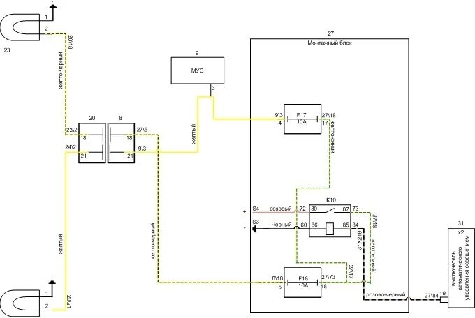
Подключение противотуманных фар приора