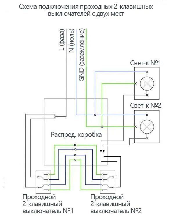
Подключение проходного выключателя с 3 мест