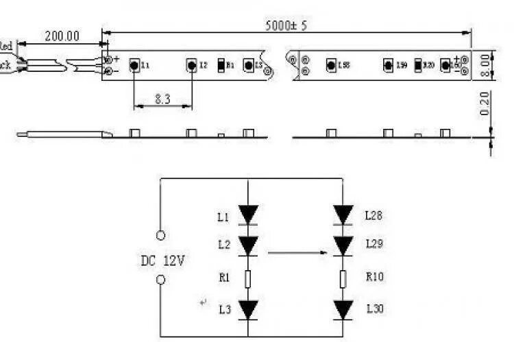
Подключение подсветки телевизора