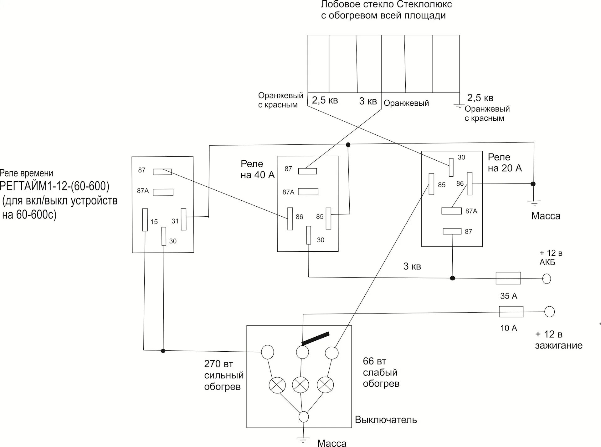
Подключение обогрева лобового приора