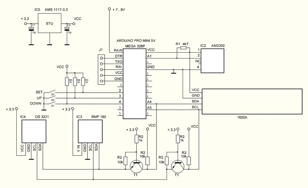
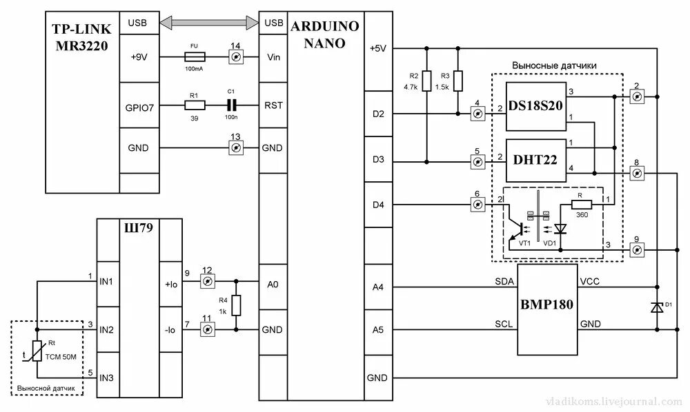
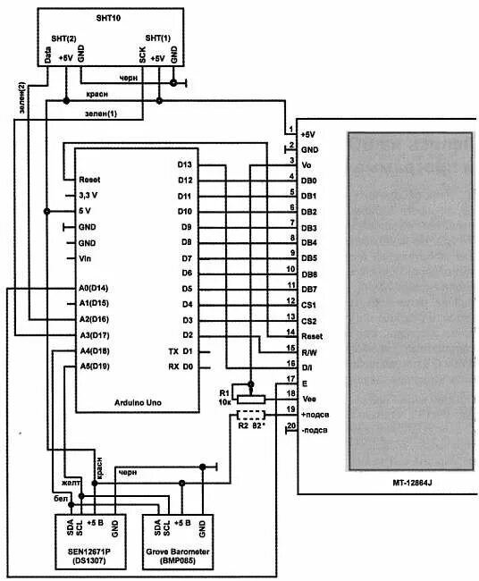
Подключение метеостанции