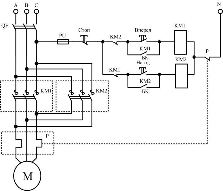
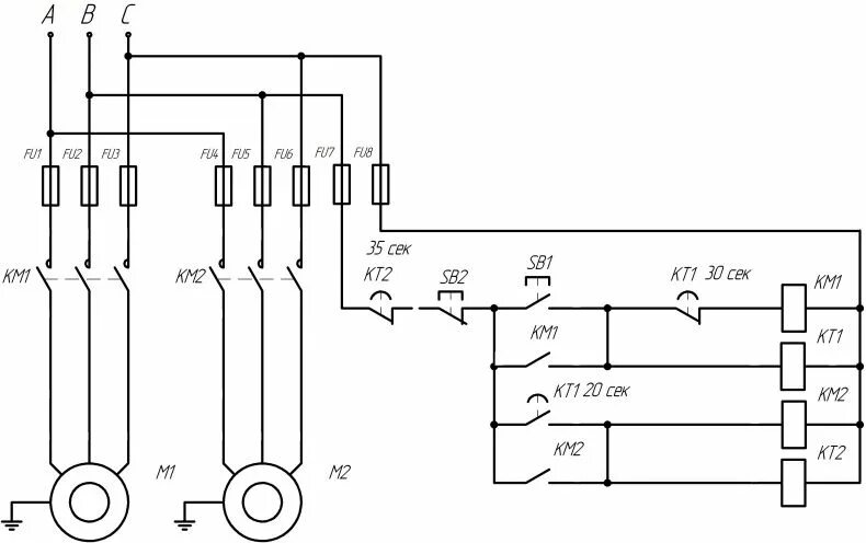
Подключение магнитных двигателей