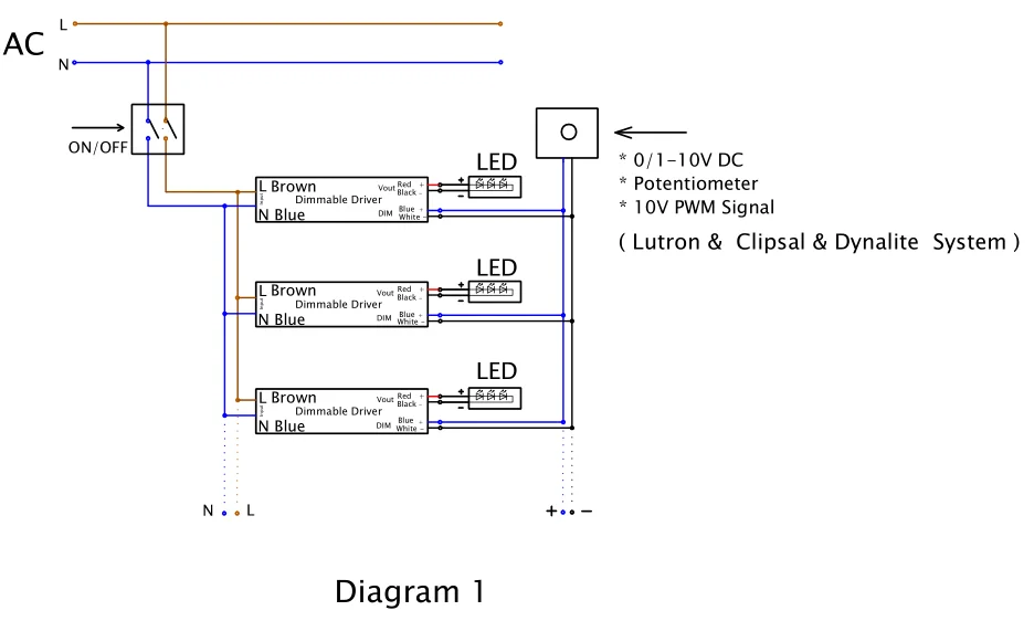
Подключение лед драйвера