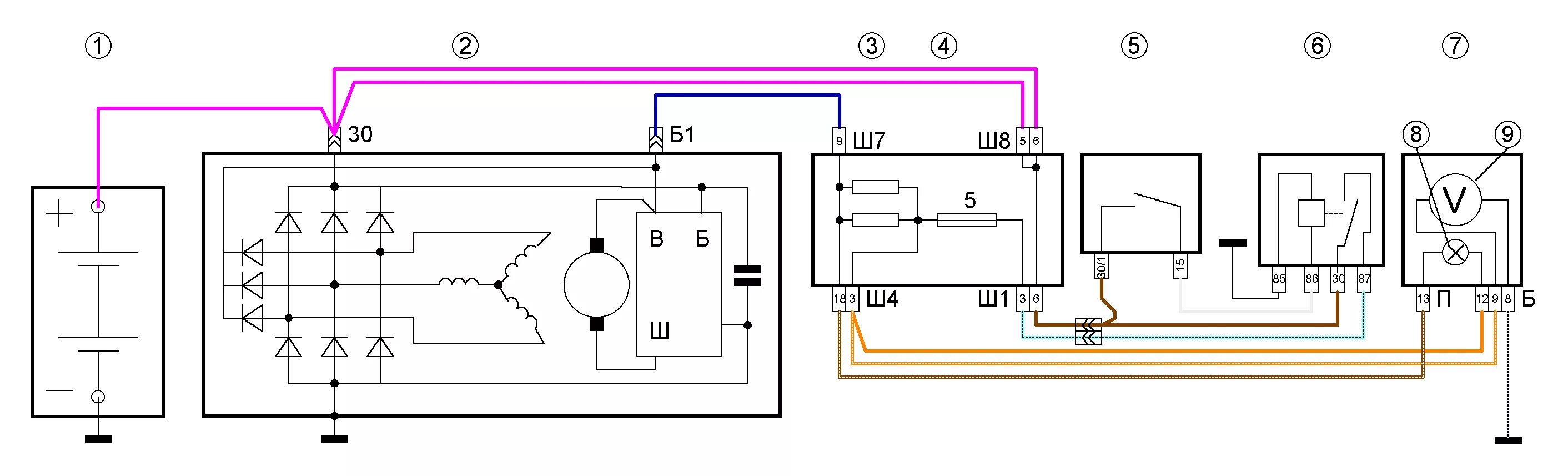
Подключение лампы зарядки