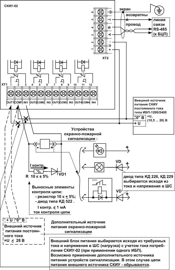
Подключение исполнительных устройств