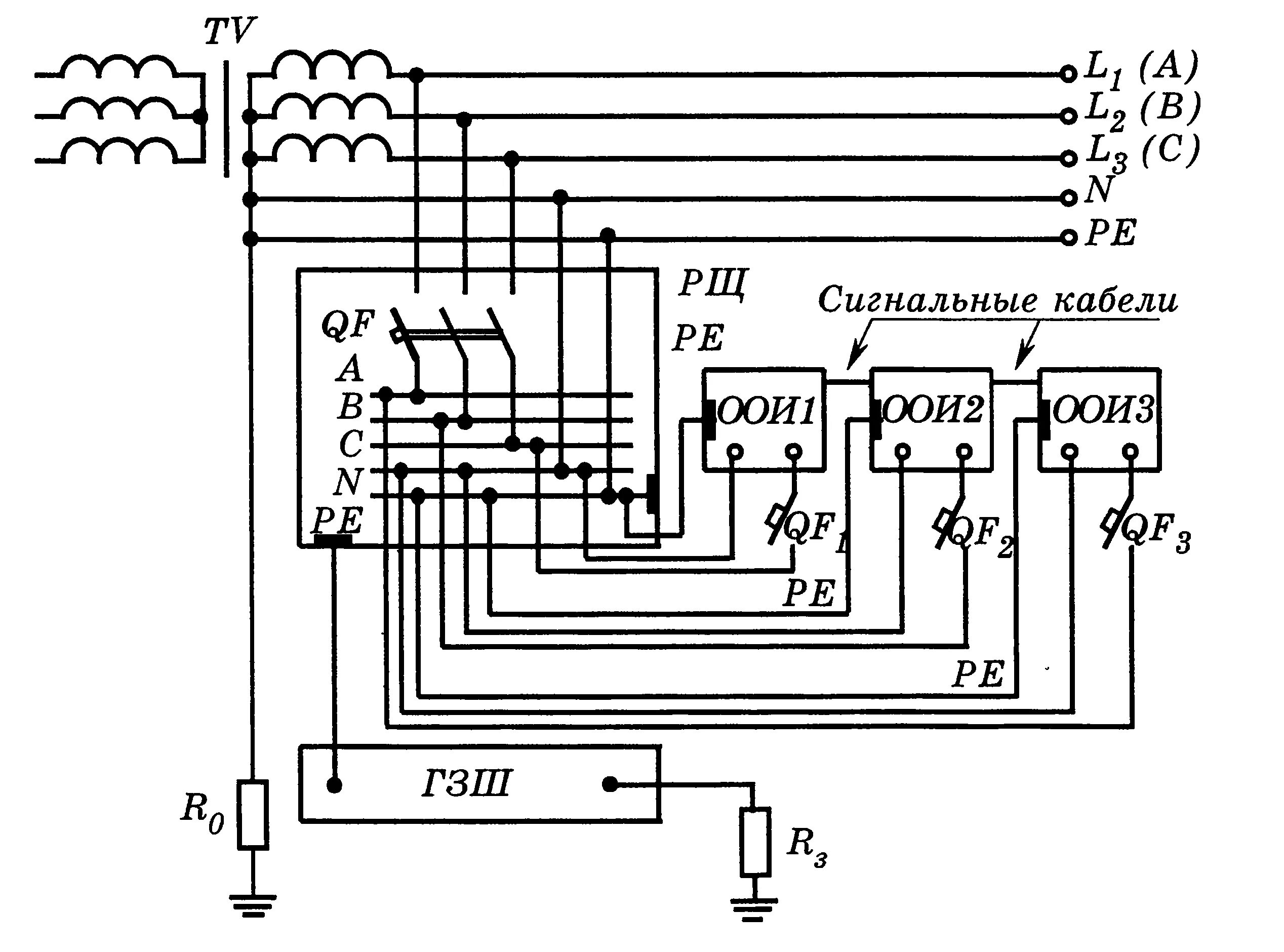
Подключение главной заземляющей шины