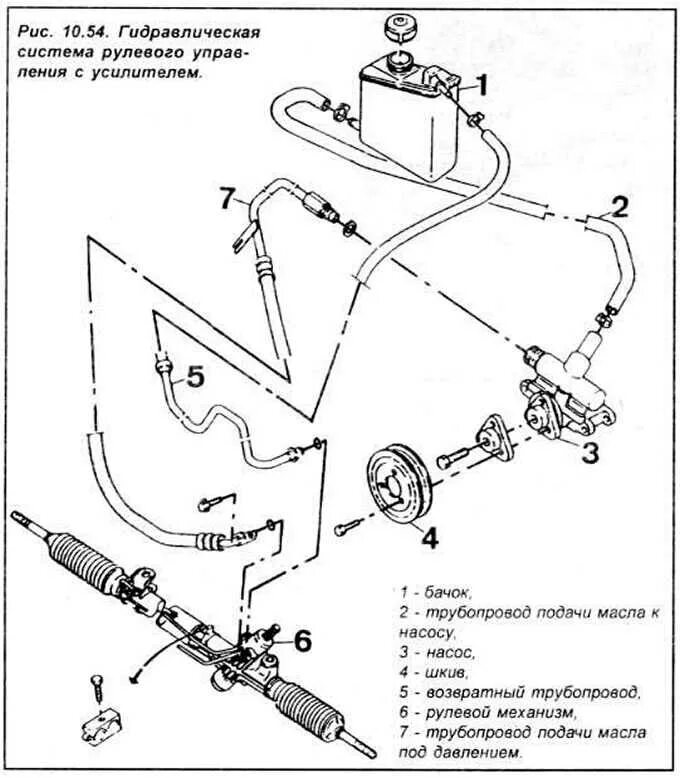
Подключение гидроусилителя руля