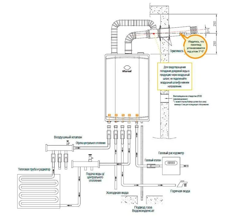
Подключение газового к