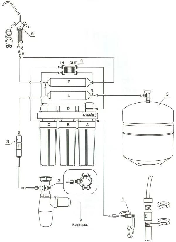
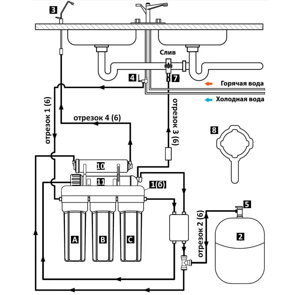
Подключение фильтра с обратным осмосом