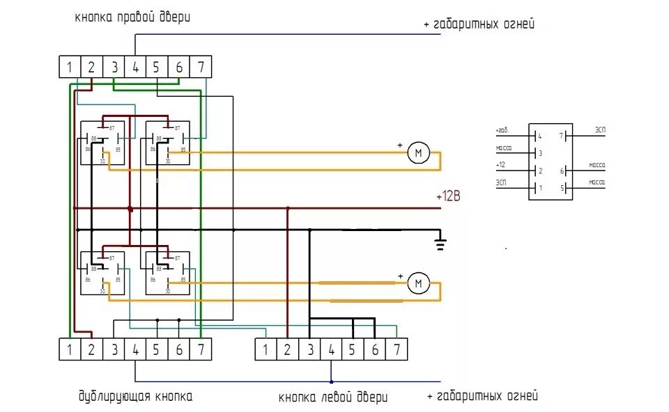
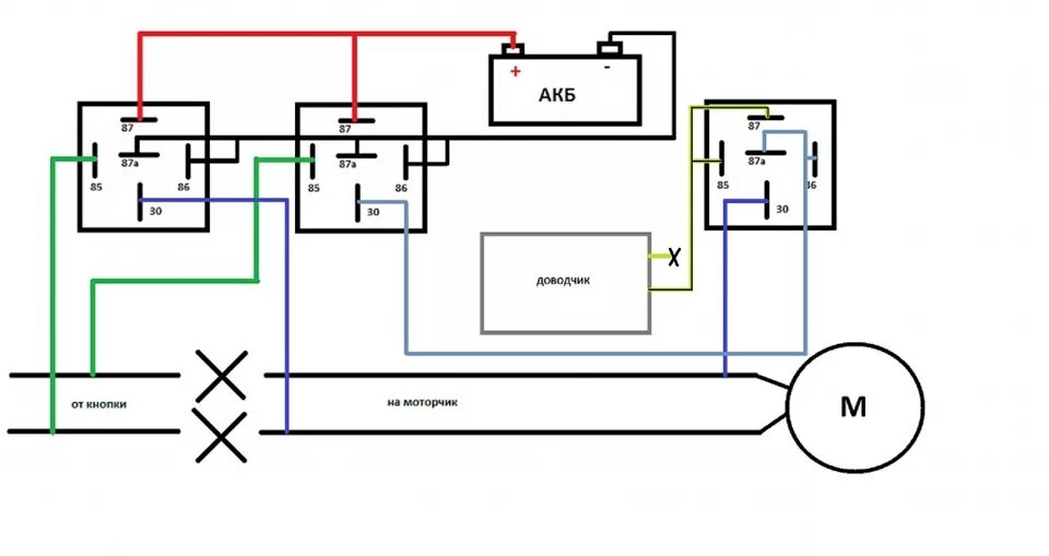
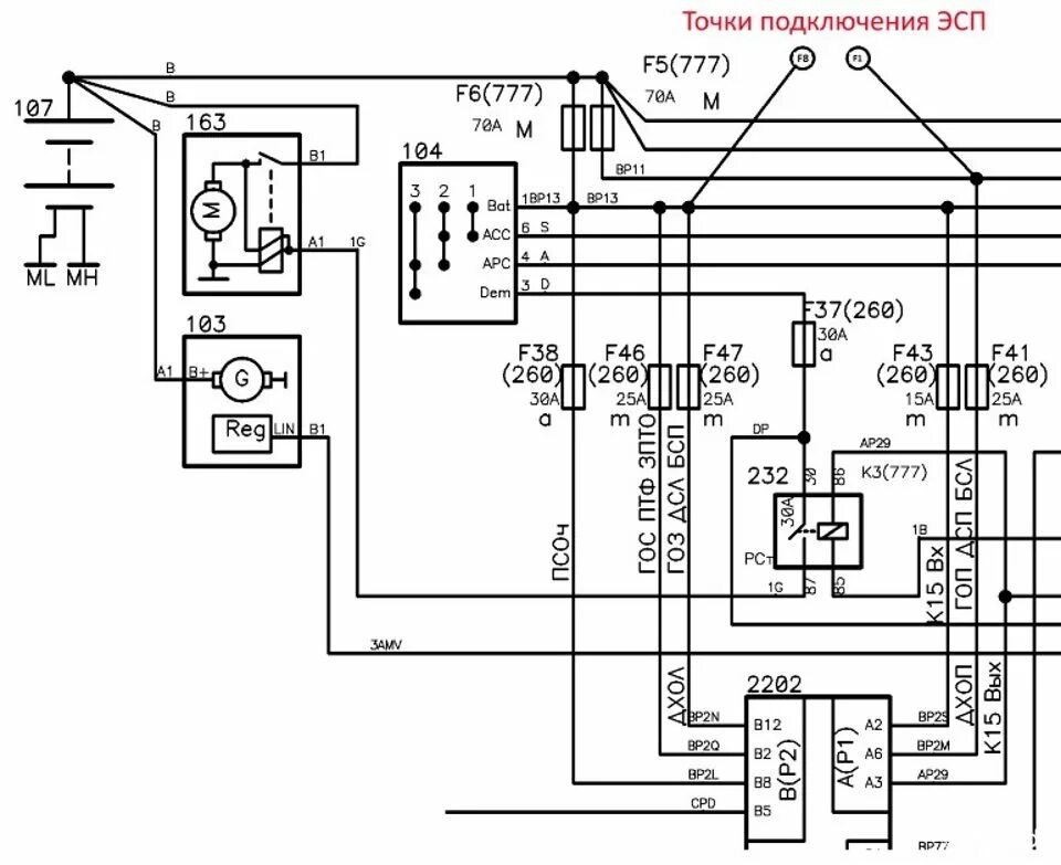
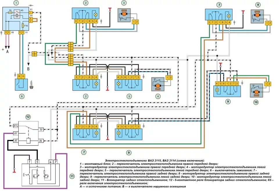
Подключение эсп