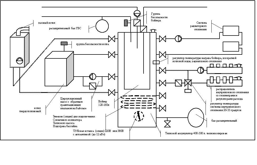
Подключение электрокотла с твердотопливным