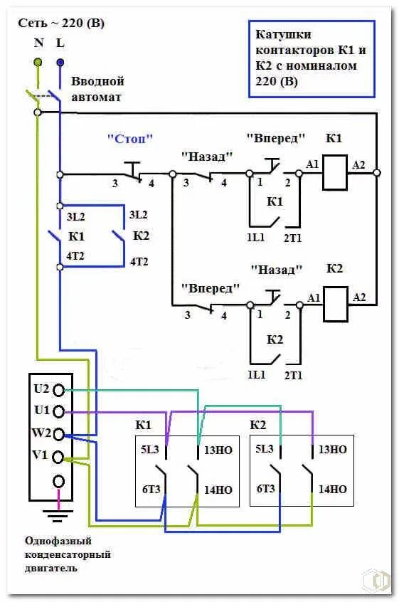
Подключение электродвигателя реверс