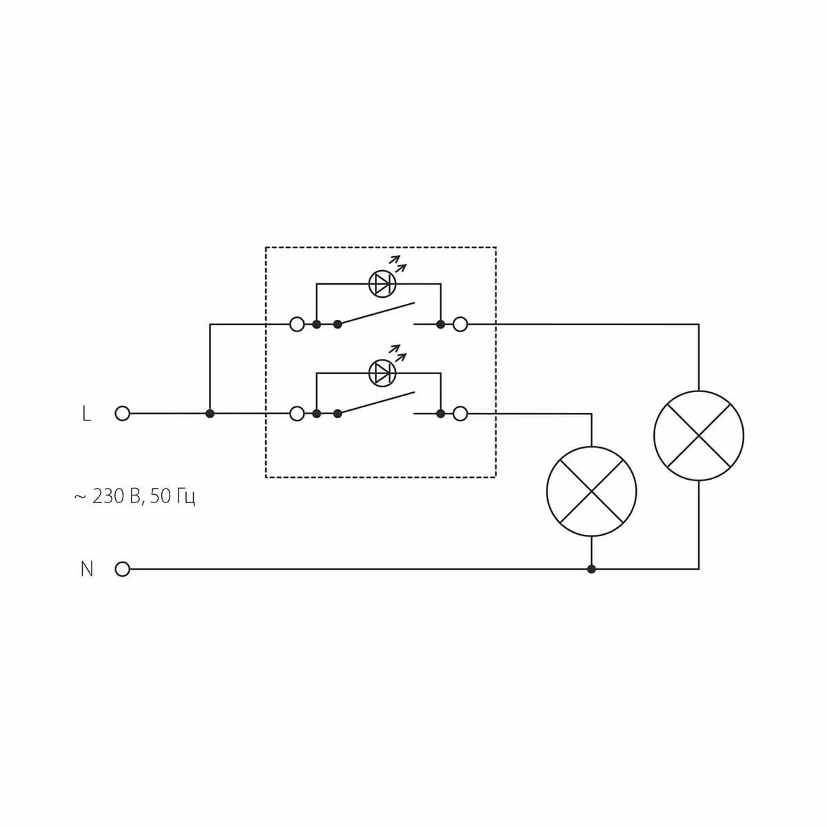
Подключение двухклавишного выключателя проходного на две лампочки