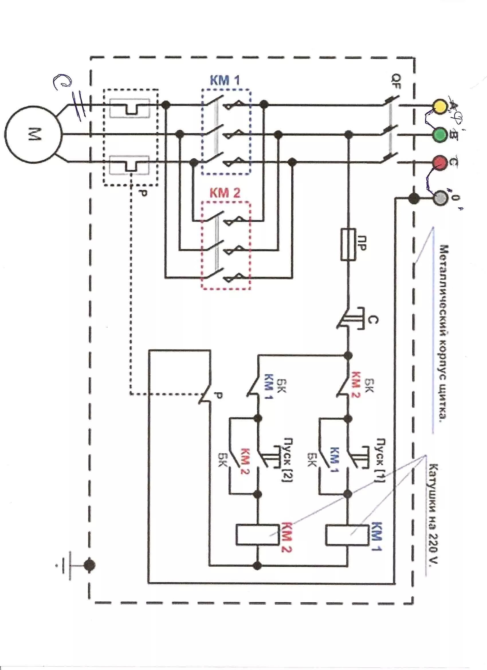
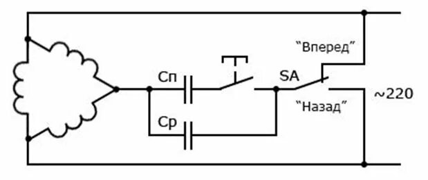
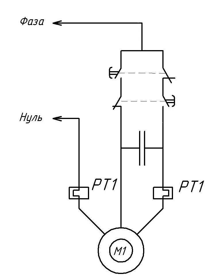
Подключение двигателя реверс 220