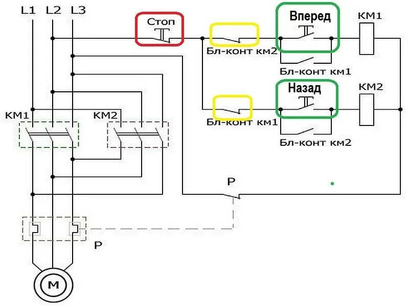
Подключение двигателя через двигатель