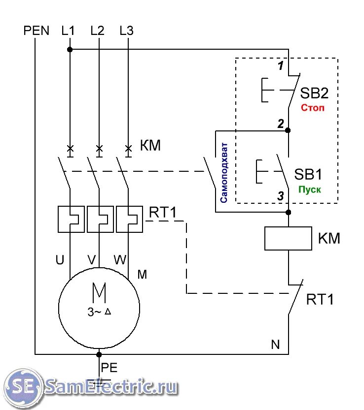
Подключение двигателя 220 через пускатель