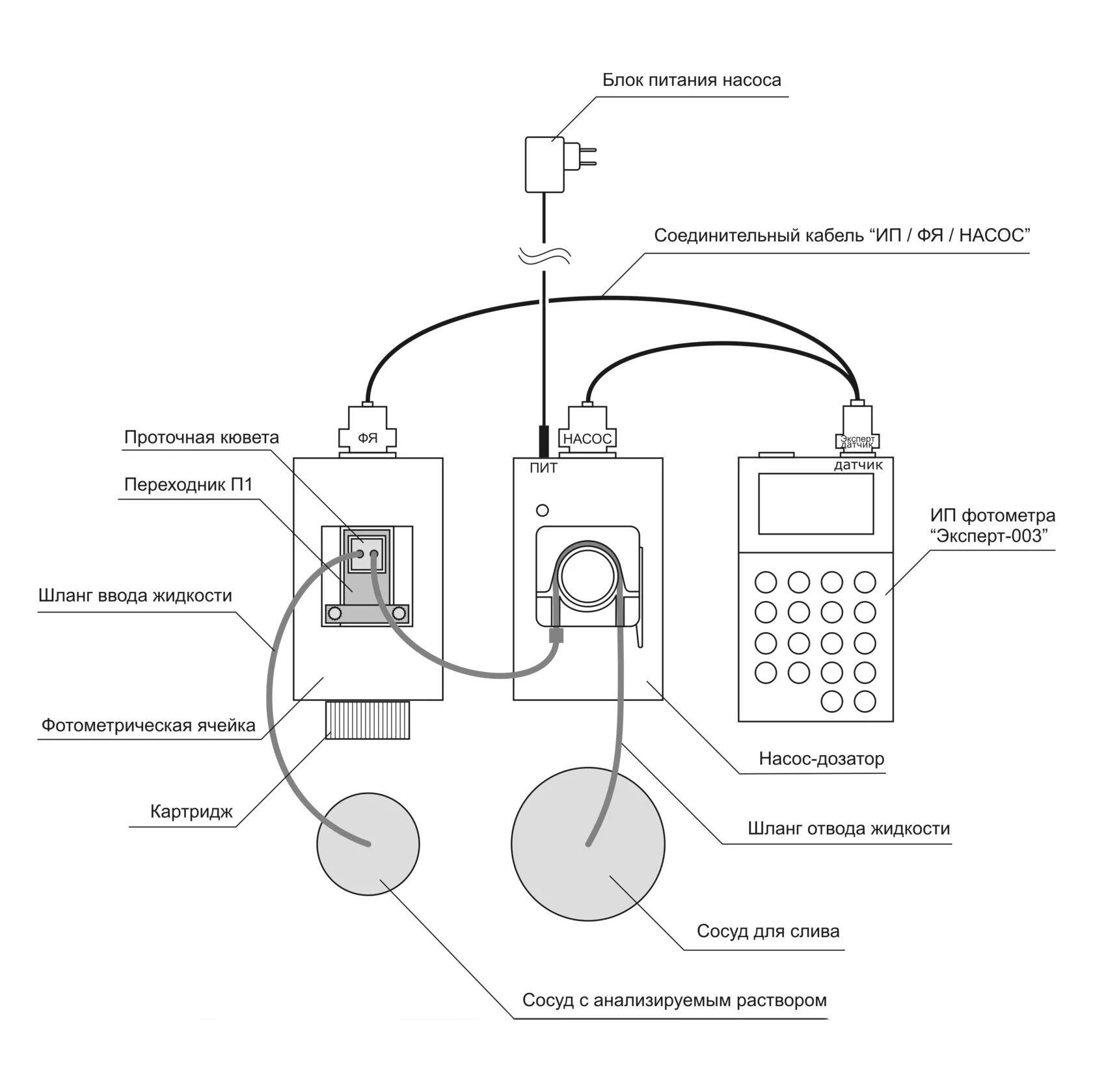
Подключение дозатора