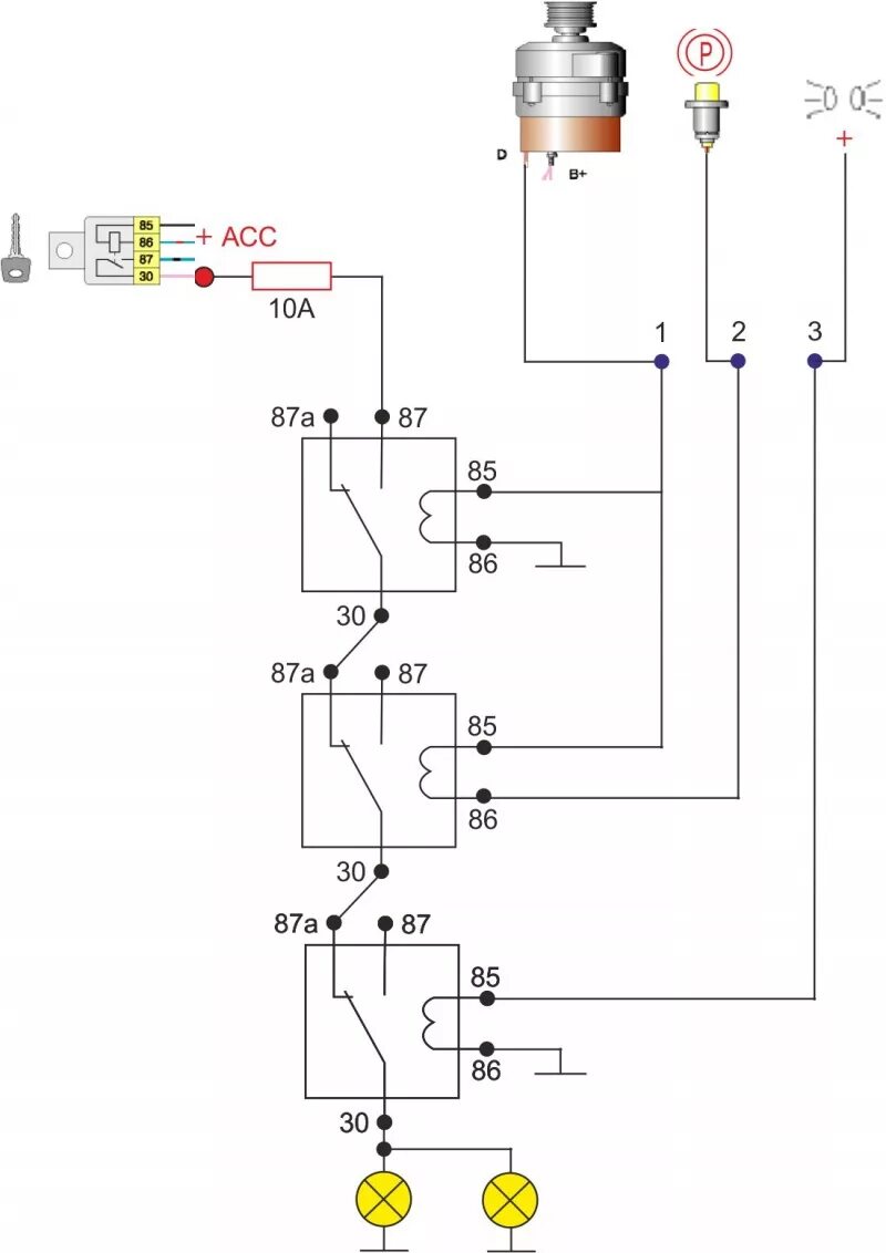
Подключение дхо генератора реле