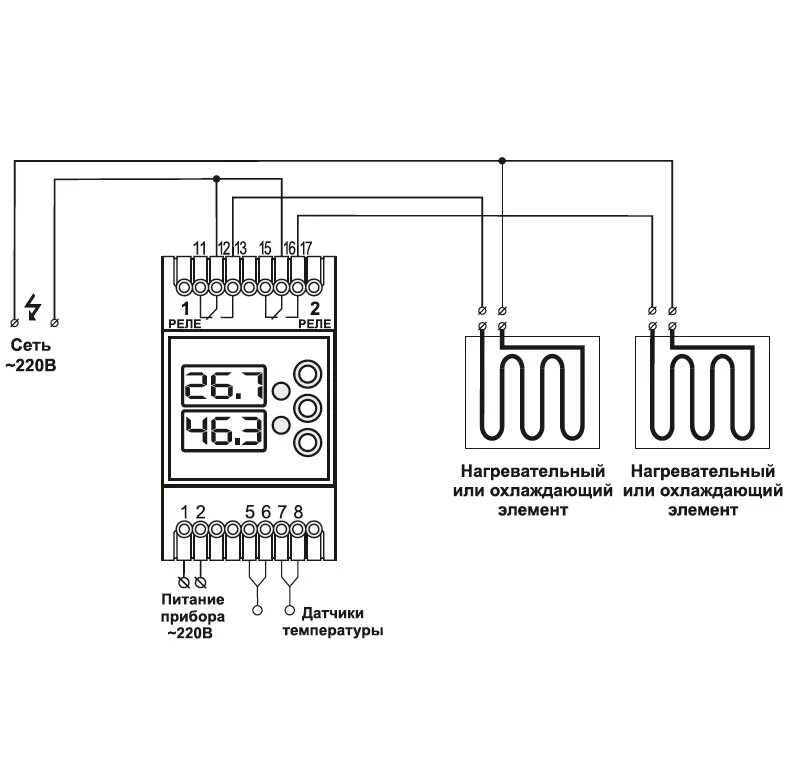
Подключение датчика реле температуры