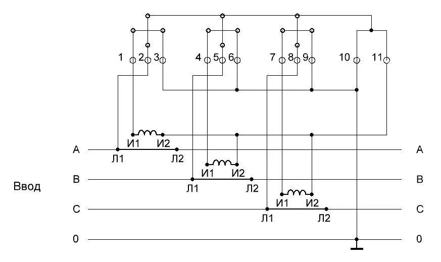
Подключение без трансформаторов тока трансформаторов тока