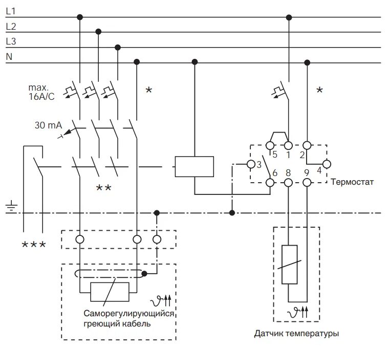
Подключение автоматическое подключения