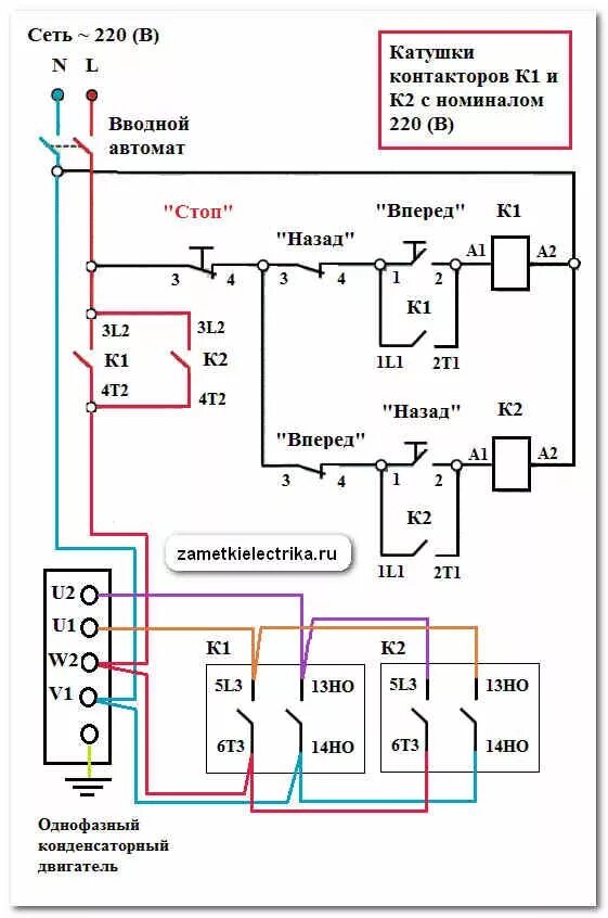
Подключение асинхронного двигателя с реверсом