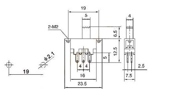
Подключение 3 позиционного переключателя