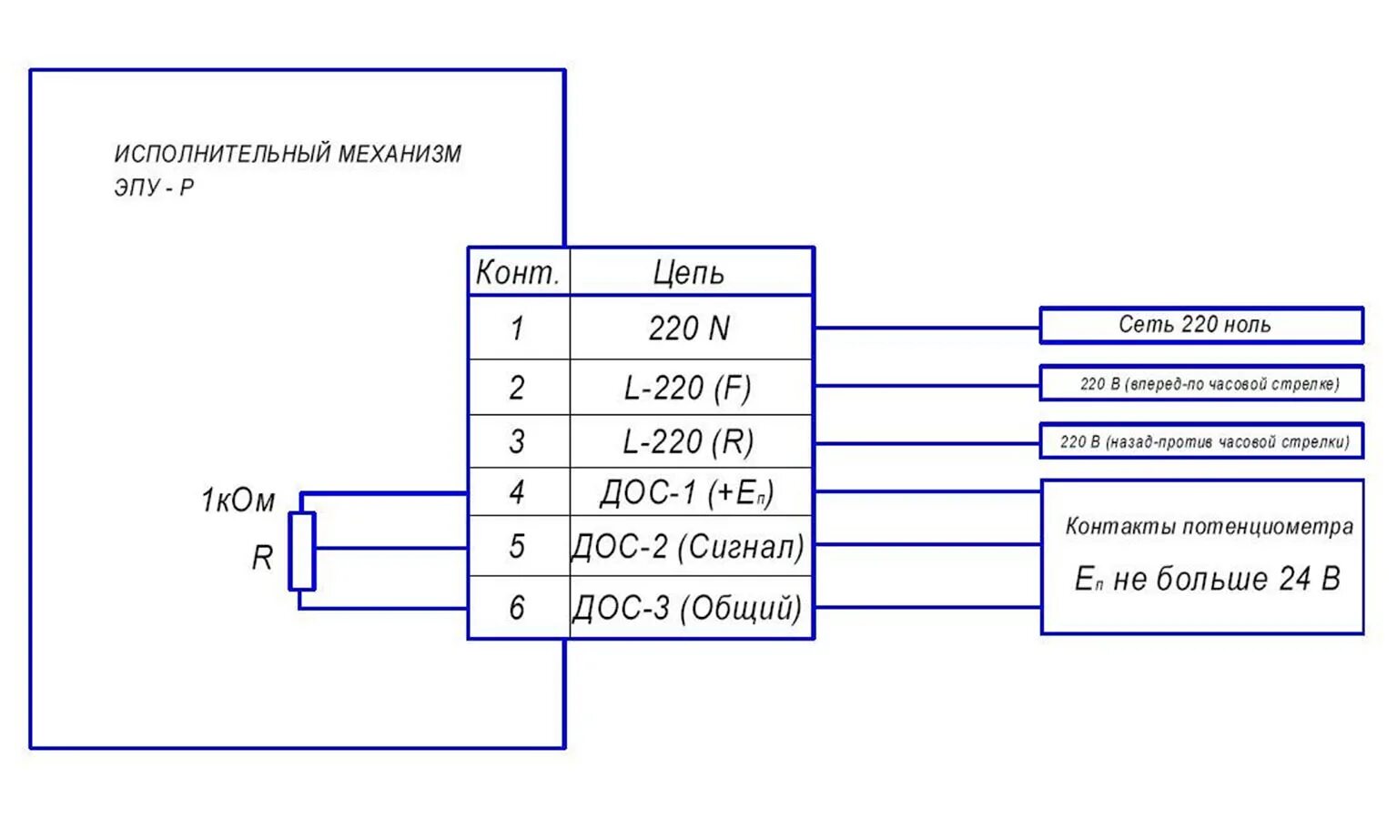
Подключается внешний к