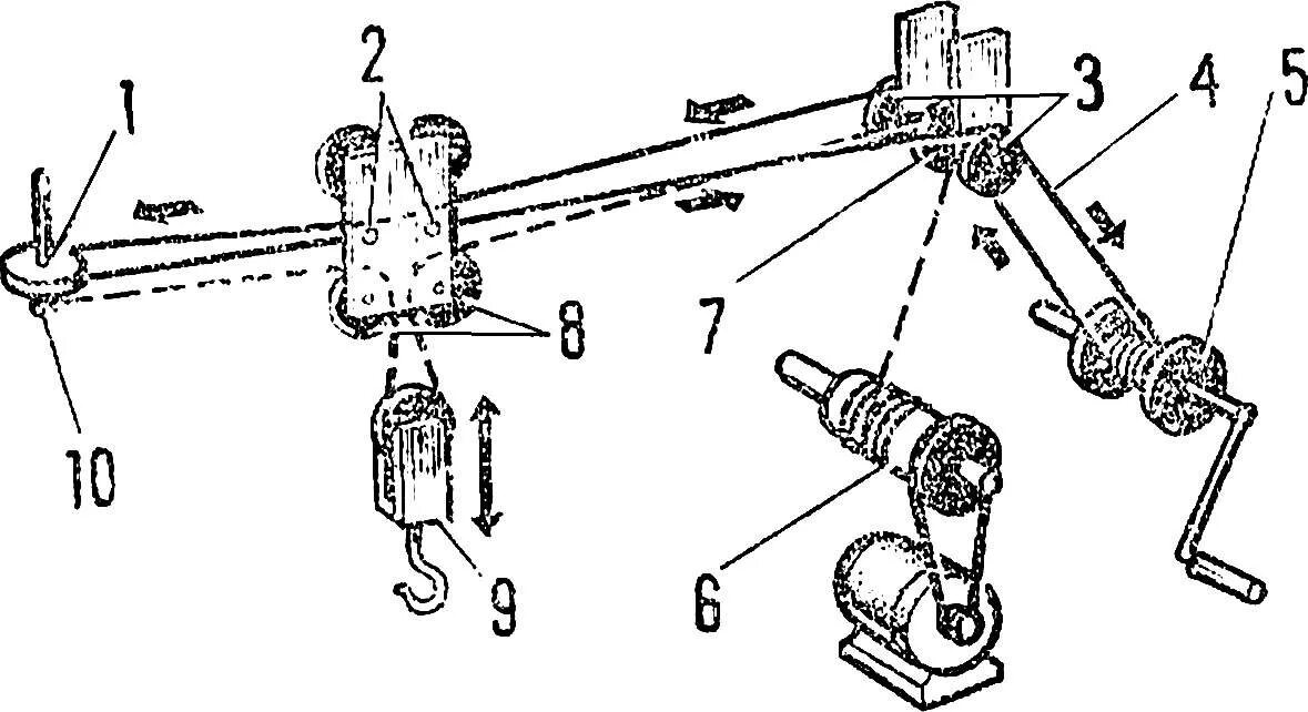
Подъем вручную