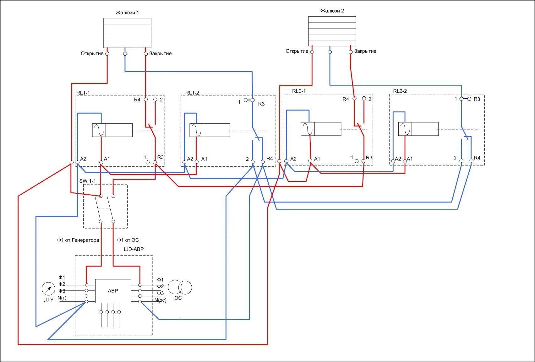
Почему котел не работает от генератора