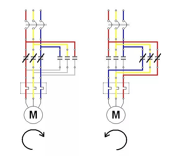
Пме подключение 380